| штат: | |
|---|---|
| Количество: | |
ВРЗ
WEIDU
Газовый расходомер Рутса серии WR — это высокоточный , высоконадежный измерительный прибор с широким диапазоном действия, который в основном используется для точного измерения расхода газа в закрытых Этот расходомер имеет функцию автоматической компенсации трубопроводах . давления и температуры измеряемого газа, непосредственно отображая общий объем газа в стандартных условиях.
Он подходит для измерения неагрессивных газов, таких как природный газ, городской газ, пропан, воздух, азот, углекислый газ и промышленные инертные газы. Широко применяется при коммерческом расчете газа в таких отраслях, как общественное питание и гостиничный бизнес, а также при учете газа в распределительных трубопроводных сетях, регулировании давления газа, а также в промышленных или бытовых котельных системах.
Широкий диапазон регулирования (>100:1), низкий пусковой расход и минимальные потери давления, что делает его пригодным для применений со значительными изменениями расходной нагрузки.
Высокая точность измерения и высокая надежность, не зависящие от изменений давления и расхода.
Высокоточная технология обработки и перемещения обеспечивает превосходную взаимозаменяемость и совместимость компонентов, обеспечивая превосходную повторяемость и длительный срок службы.
Нет требований к прямым участкам трубы выше или ниже по потоку , что позволяет осуществлять установку в ограниченном пространстве.
Используются высокоточные цифровые датчики температуры и цифровые датчики давления со встроенными функциями температурной компенсации и калибровки, обеспечивающие высокую точность определения давления, долговременную стабильность и минимальный температурный дрейф.
Автоматически определяет температуру и давление среды, выполняя коррекцию температуры, давления и коэффициента сжимаемости для преобразования объемного расхода и общего объема в рабочих условиях в объемный расход и общий объем в стандартных условиях.
Использует передовую технологию микроэнергопотребления, обеспечивающую длительную работу с питанием от внутренних батарей.
Имеет хранилище данных большой емкости с защитой от несанкционированного доступа, автоматически записывает критические изменения данных и исторические данные.
Включает хранение данных в реальном времени для предотвращения потери данных при замене батареи или отключениях электроэнергии, обеспечивая постоянное сохранение внутренних параметров даже при отсутствии питания.
Поддерживает встроенные беспроводные модули 4G или NB, позволяющие использовать различные системы беспроводного считывания показаний счетчиков. Он может обеспечить ограниченную беспроводную передачу (один раз в день) с питанием от внутренних батарей без внешних источников питания для удобства или неограниченную передачу данных с внешним источником питания .
Газовый расходомер Рутса представляет собой высокоточный прибор для измерения расхода прямого вытеснения. В основном он состоит из корпуса, узла ротора и крышек, образующих фиксированную измерительную камеру. Когда газ поступает в расходомер, между входом и выходом создается перепад давления (P Благодаря двум высокоточным синхронным шестерням (прикрепленным к роторам) роторы приводятся в движение, in >P out ), действующий на роторы. обеспечивая правильное взаимное расположение во время вращения. Между роторами , между роторами и корпусом, а также между роторами и крышками поддерживаются постоянные зазоры , что обеспечивает непрерывное бесконтактное вращение. При каждом полном обороте роторов выбрасывается газ, эквивалентный четырехкратному объему камеры ( один циклический объем). Число оборотов ротора пропорционально объему газа, проходящего через расходомер.
Механический привод приводит в действие механический счетчик.
Магнитный датчик на основе электромагнитной индукции распознает импульсные сигналы от синхронно вращающегося сигнального диска, пропорциональные объемному расходу жидкости. Эти сигналы отправляются в корректор объема и обрабатываются вместе с данными о температуре и давлении, а результаты отображаются на экране. Принцип работы во время дозирования показан на фиг.1 (изображение только четверти цикла). Конструкция расходомера Рутса показана на фиг.2.

РИС.1 Рабочая схема

1. Корректор объема 2. Корпус подшипника 3. Ротор Рутса 4. Механизм синхронизации 5. Диск запуска сигнала 6. Корпус/корпус 7. Маслоналивное отверстие 8. Смотровое стекло/окно уровня масла 9. Маслосливное отверстие
РИС. 2. Структурная схема расходомера Gas Roots.
Точность: класс 1,0 и 1,5 в пределах указанного диапазона расхода и условий эксплуатации.
Класс 1.0: 0,2Q макс ~ Q макс : ±1,0%; Q мин ~ 0,2Q макс : ±2,0%.
Класс 1,5: 0,2Q макс ~ Q макс : ±1,5%; Q мин ~ 0,2Q макс : ±3,0%.
Погрешность отображения температуры: ≤±0,5°C
Погрешность отображения давления: ≤±0,2%
Механические характеристики: Модели расходомеров и основные параметры приведены в Таблице 1.
Таблица 1
Номинальный диаметр | G-рейтинг | Диапазон расхода (м 3/ч) | Номинальное давление (МПа) | Класс точности | Низкий пусковой поток (м 3/ч) | Макс. Потеря давления (м 3/ч) | Диапазон |
20 (0,8 дюйма) | G6 | 0,2 ~ 10 | 1.6 | Класс 1.0 или Класс 1.5 | 0.04 | 0.15 | 50:1 |
25 (1 дюйм) | G10 | 0,4 ~ 16 | 0.06 | 0.20 | 40:1 | ||
G16 | 0,4 ~ 25 | 0.06 | 0.25 | 65:1 | |||
40 (1,5 дюйма) | G16 | 0,5 ~ 25 | 0.07 | 0.10 | 50:1 | ||
G25 | 0,5 ~ 40 | 0.07 | 0.10 | 80:1 | |||
G40 | 0,5 ~ 65 | 0.07 | 0.25 | 130:1 | |||
50 (2 дюйма) | G16 | 0,5 ~ 25 | 0.07 | 0.10 | 50:1 | ||
G25 | 0,5 ~ 40 | 0.07 | 0.10 | 80:1 | |||
G40 | 0,5 ~ 65 | 0.07 | 0.25 | 130:1 | |||
G65 | 0,5 ~ 100 | 0.07 | 0.35 | 200:1 | |||
80 (3 дюйма) | G100 | 0,8 ~ 160 | 0.10 | 0.35 | 200:1 | ||
G160 | 1,6 ~ 250 | 0.15 | 0.40 | 160:1 | |||
100 (4 дюйма) | G160 | 1,6 ~ 250 | 0.15 | 0.35 | 160:1 | ||
G250 | 2,0 ~ 400 | 0.30 | 0.40 | 200:1 | |||
G400 | 4,0 ~ 650 | 0.60 | 0.70 | 160:1 | |||
150 (6 дюймов) | G400 | 4,0 ~ 650 | 0.70 | 0.60 | 160:1 | ||
G650 | 6,5 ~ 1000 | 0.70 | 0.80 | 160:1 | |||
200 (8 дюймов) | G1000 | 10 ~ 1600 | 1.20 | 0.70 | 160:1 |
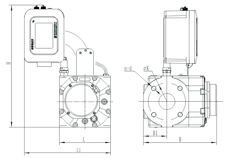
Размеры расходомера показаны на РИС . 3, а конкретные значения указаны в Таблице 2. Расходомер имеет фланцевое соединение , а размеры фланца соответствуют стандарту GB/T 9124-2019.

ИНЖИР . 3 Габаритный чертеж WRZ
Единица измерения: мм Таблица 2
Номинальный диаметр (DN) | G-рейтинг | L | Л1 | H | B | Б1 | K | nd | Примечание | ||
ВРЗ/ ВРД | УВР | ВРЗ | УВР/ ВРД | ||||||||
20 (0,8 дюйма) | G6 | 130 | 255 | 286 | / | 156 | / | 45 | 75 | 4×М12 | М12×35 |
25 (1 дюйм) | G10 | 130 | 268 | 375 | 137 | 198 | 247 | 55 | 85 | 4×М12 | М12×35 |
G16 | 130 | 268 | 375 | 137 | 198 | 247 | 55 | 85 | 4×М12 | М12×35 | |
40 (1,5 дюйма) | G16 | 172 | 289 | 410 | 172 | 246 | 288 | 79 | 110 | 4×М16 | М16×50 |
G25 | 172 | 289 | 410 | 172 | 246 | 288 | 79 | 110 | 4×М16 | М16×50 | |
G40 | 172 | 289 | 410 | 172 | 246 | 288 | 79 | 110 | 4×М16 | М16×50 | |
50 (2 дюйма) | G16 | 172 | 289 | 410 | 172 | 246 | 288 | 79 | 125 | 4×М16 | М16×50 |
G25 | 172 | 289 | 410 | 172 | 246 | 288 | 79 | 125 | 4×М16 | М16×50 | |
G40 | 172 | 289 | 410 | 172 | 246 | 288 | 79 | 125 | 4×М16 | М16×50 | |
G65 | 172 | 289 | 410 | 172 | 246 | 288 | 79 | 125 | 4×М16 | М16×50 | |
80 (3 дюйма) | G100 | 172 | 289 | 410 | 172 | 298 | 343 | 100 | 160 | 8×М16 | М16×50 |
G160 | 241 | 324 | 500 | 261 | 346 | 390 | 120 | 160 | 8×М16 | М16×50 | |
100 (4 дюйма) | G160 | 241 | 324 | 500 | 261 | 346 | 390 | 120 | 180 | 8×М16 | М16×50 |
G250 | 241 | 324 | 500 | 261 | 446 | 490 | 181 | 180 | 8×М16 | М16×50 | |
G400 | 241 | 324 | 500 | 261 | 446 | 490 | 181 | 180 | 8×М16 | М16×50 | |
150 (6 дюймов) | G400 | 241 | 324 | 510 | 271 | 585 | 642 | 280 | 240 | 8×М20 | М20×60 |
G650 | 241 | 324 | 510 | 271 | 685 | 742 | 330 | 240 | 8×М20 | М20×60 | |
200 (8 дюймов) | G1000 | 280 | 343 | 568 | 330 | 936 | 840 | 415 | 295 | 12×М20 | М20×60 |
Перед заказом изделия внимательно прочтите данное руководство. Выберите соответствующую спецификацию на основе номинального диаметра, номинального давления, диапазона расхода, максимального давления среды, диапазона температуры среды и условий окружающей среды трубопровода.
Настоятельно рекомендуется установить фильтр перед расходомером. Расходомер и фильтр можно заказать вместе в комплекте.
При размещении заказа , пожалуйста, заполните правильную информацию в соответствии с таблицей кодирования. Таблица кодирования газового расходомера Рутса серии WR представлена ниже:
