| штат: | |
|---|---|
| Количество: | |
ВДК-А
WEIDU
|
Обзор
Контроллер IoT IC Card (далее «Контроллер») — это новый тип устройства, предназначенный для использования с различными сериями расходомеров газа, такими как Roots и турбинные счетчики. Он позволяет управлять продажами газа на основе IC-карты или осуществлять беспроводной дистанционный контроль и управление. Этот продукт широко применим для измерения расхода различных газов и служит идеальным измерительным прибором для промышленных и коммерческих пользователей, включая заводы, учреждения, гостиницы, больницы и крупные торговые центры. Он обеспечивает точные измерения, надежную работу и возможность отображать соответствующую информацию. Контроллер может оперативно открывать или закрывать клапаны для регулирования расхода газа. Он подходит для сред с давлением в трубопроводе ниже 600 кПа.
Продукт был проверен и аттестован национальным отделом по надзору за качеством взрывозащищенной продукции в соответствии со стандартами GB/T3836.1-2021 «Взрывоопасная атмосфера — Часть 1: Оборудование — Общие требования» и GB/T3836.4-2021 «Взрывоопасная атмосфера — Часть 4: Защита оборудования по искробезопасности «i»».
|
Технические характеристики
Рабочее давление: ≤0,6 МПа
Рабочее напряжение: литиевая батарея 7,2 В
Ток в режиме ожидания: <100 мкА
Мгновенный максимальный ток при открытии клапана: <400 мА
Соединение трубы: Фланцевое соединение
Срок службы батареи: ≤3 года
Рабочая среда: -20 °C ~ 60 °C
Относительная влажность: ≤93%
Применимые источники газа: сжиженный нефтяной газ, природный газ, биогаз.
|
Модель и характеристики
Таблица 1
| Модель | Диаметр (мм) | Рабочее давление (МПа) | Макс. Рабочее давление (МПа) |
| ВДК-А-32 | Ду32 | ≤0,6 | 0 ~ 0,005 |
| ВДК-А-40 | Ду40 | ≤0,6 | 0 ~ 0,005 |
| ВДК-А-50 | Ду50 | ≤0,6 | 0 ~ 0,01 |
| ВДК-А-80 | Ду80 | ≤0,6 | 0 ~ 0,015 |
| ВДК-А-100 | Ду100 | ≤0,6 | 0 ~ 0,02 |
| ВДК-А-150 | Ду150 | ≤0,4 | 0 ~ 0,03 |
| ВДК-А-200 | Ду200 | ≤0,4 | 0 ~ 0,036 |
|
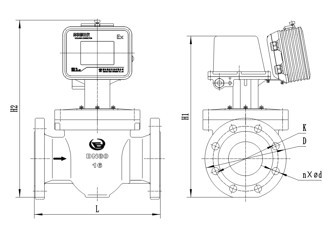
Габаритные размеры и установка

РИС.1 Габаритный чертеж VDQ-A
VDQ-A Единица измерения: мм Таблица 2
| Диаметр | L Длина | H1 Высота | Н2 Высота | Ширина | Номинальное давление | Отверстие фланцевого соединения n × Φ d | Диаметр окружности отверстия под болт фланца K | Внешний диаметр фланца D |
| Ду32 | 230 | 365 | 400 | 170 | 1,6 МПа | 4×Φ18 | Φ100 | Φ140 |
| Ду40 | 230 | 365 | 400 | 170 | 4×Φ18 | Φ110 | Φ150 | |
| Ду50 | 230 | 365 | 400 | 175 | 4×Φ18 | Φ125 | Φ165 | |
| Ду80 | 310 | 400 | 440 | 210 | 8×Φ18 | Φ160 | Φ200 | |
| Ду100 | 350 | 430 | 470 | 246 | 8×Φ18 | Φ180 | Φ220 | |
| Ду150 | 480 | 500 | 540 | 336 | 8×Φ22 | Φ240 | Φ285 | |
| Ду200 | 520 | 550 | 590 | 390 | 12×Φ22 | Φ295 | Φ340 | |
| Ду250 | 490 | 640 | 680 | 400 | 12×Φ26 | Φ355 | Φ405 | |
| Ду300 | 590 | 690 | 730 | 450 | 12×Φ26 | Φ410 | Φ460 |
|
Требования к установке
Контроллер должен быть установлен в хорошо вентилируемом месте, вдали от источников тепла и защищен от дождя, влаги и длительного воздействия прямых солнечных лучей. Высота установки должна соответствовать местным правилам техники безопасности, как показано на РИС.7.

Перед подключением контроллера удалите мусор внутри трубопровода и убедитесь, что трубопровод герметичен.
Контроллер VDF-A должен быть установлен горизонтально, правильно подключены входное и выходное отверстия в соответствии с направлением, указанным стрелками.
Убедитесь в отсутствии утечек газа в местах соединения трубопровода и газового контроллера. Давление газа на входе в регулятор расхода не должно превышать 0,4 МПа.
После установки нанесите мыльную воду на участки входа и выхода, чтобы проверить отсутствие утечек. Подтверждайте нормальное использование только после проверки отсутствия утечек. Использование открытого огня для обнаружения утечек строго запрещено во избежание несчастных случаев.
Во время установки обратите внимание на стрелку направления потока газа на нижней части клапана. Стрелка указывает направление потока газа, ее нельзя устанавливать наоборот.
|
Информация для заказа
При заказе этого продукта выберите подходящую модель с учетом номинального диаметра трубы, диапазона расхода, максимального давления среды и требований к питанию подключенного расходомера , в соответствии с вашими конкретными эксплуатационными потребностями.
