| штат: | |
|---|---|
| Количество: | |
ВТД
WEIDU
Газотурбинный расходомер серии WT представляет собой высокоточный и высоконадежный прецизионный измерительный прибор. Он подходит для измерения различных однофазных газов и широко применяется в таких отраслях, как городская газовая, нефтяная, химическая, энергетическая и металлургическая промышленность для измерения газа.
Газотурбинный расходомер серии WT обеспечивает превосходные характеристики измерения при низком и высоком давлении, что делает его идеальным для точного измерения больших объемов газа. В зависимости от требований пользователя наша компания может предоставить турбинные расходомеры различных классов точности и технических характеристик.
Высокая точность, отличная повторяемость и широкий диапазон регулирования (до 1:20).
Встроенный стабилизатор потока снижает требования к прямым трубам (≥2DN на входе, ≥1DN на выходе).
Корректор объема расходомера может свободно вращаться примерно на 360°, что обеспечивает удобство считывания показаний при любой установке.
Низкая скорость вращения, длительный срок службы, низкие потери давления и высокая точность.
Оснащен высокоточными цифровыми датчиками температуры и давления; цифровой датчик давления имеет встроенную температурную компенсацию и калибровку, обеспечивая высокую точность измерения давления , долговременную стабильность и минимальный температурный дрейф.
Автоматически определяет температуру и давление среды, выполняя коррекцию температуры, давления и коэффициента сжимаемости для преобразования объемного расхода/общего объема в рабочих условиях в объемный расход/общий объем при стандартных условиях.
Использует передовую технологию сверхнизкого энергопотребления , обеспечивающую длительную работу с питанием от внутренних батарей.
Имеет хранилище данных большой емкости с функцией защиты от несанкционированного доступа, автоматически записывает критические изменения данных и исторические данные.
Хранение данных в режиме реального времени предотвращает потерю данных при замене батареи или сбое питания; внутренние параметры постоянно сохраняются при отключении питания.
Поддерживает встроенные беспроводные модули 4G или NB, позволяющие использовать различные системы беспроводного считывания показаний счетчиков. Может передавать по беспроводной сети ограниченное количество раз в день (один раз в день) через внутреннюю батарею без внешнего питания или поддерживать неограниченную передачу данных с внешним источником питания.
При прохождении жидкости через расходомер она выпрямляется и ускоряется под действием выпрямителя потока (или спрямителя). За счет определенного угла между конструкцией лопаток рабочего колеса и направлением потока на рабочем колесе создается вращающий момент. После преодоления момента трения и момента сопротивления жидкости турбина начинает вращаться. В определенном диапазоне расходов угловая скорость вращения турбины примерно пропорциональна объемному расходу жидкости.
Механическая конструкция приводит в действие механический счетчик.
Магниточувствительный датчик, основанный на принципе электромагнитной индукции, улавливает импульсные сигналы от синхронно вращающегося диска-передатчика. Эти сигналы пропорциональны объемному расходу жидкости и передаются на корректор объема. Вместе с и сигналами температуры, давления других они подвергаются вычислительной обработке и отображаются на экране . Структура показана на фиг.1.

1. Корректор объема 2. Корпус расходомера 3. Масляный насос 4. Турбина 5. Выпрямитель потока
ИНЖИР . 1 Структурная схема газотурбинного расходомера
Класс точности: в указанном диапазоне расходов и условиях эксплуатации расходомер имеет класс точности 1,0 или 1,5.
Класс 1.0: 0,2Q макс ~ Q макс : ±1,0%; Q мин ~ 0,2Q макс : ±2,0%.
Класс 1,5: 0,2Q макс ~ Q макс : ±1,5%; Q мин ~ 0,2Q макс : ±3,0%.
Ошибка отображения температуры: ≤±0,5 °C
Погрешность отображения давления: ≤±0,2%
Показатели механических характеристик
Технические характеристики и основные параметры модели расходомера приведены в таблице 1.
Таблица 1
Номинальный диаметр (DN) | G-рейтинг | Диапазон расхода (м 3/ч) | Рабочее колесо Материал | Давление (МПа) | Примечание |
50 (2 дюйма) | G40 | 6 ~ 65 | Алюминиевый сплав | 1.6 2.5 4.0 6.3 | Материал корпуса: ≤ 1,6 МПа: литой алюминиевый сплав; > 1,6 МПа: углеродистая сталь или нержавеющая сталь |
G65 | 8 ~ 100 | ||||
G100 | 10 ~ 160 | ||||
80 (3 дюйма) | G100 | 8 ~ 160 | |||
G160 | 13 ~ 250 | ||||
G250 | 20 ~ 400 | ||||
100 (4 дюйма) | G160 | 13 ~ 250 | |||
G250 | 20 ~ 400 | ||||
G400 | 32 ~ 650 | ||||
150 (6 дюймов) | G400 | 32 ~ 650 | |||
G650 | 50 ~ 1000 | ||||
G1000 | 80 ~ 1600 | ||||
200 (8 дюймов) | G650 | 50 ~ 1000 | |||
G1000 | 80 ~ 1600 | ||||
G1600 | 130 ~ 2500 | ||||
250 (10 дюймов) | G1000 | 80 ~ 1600 | Материал корпуса: углеродистая сталь или нержавеющая сталь. | ||
G1600 | 130 ~ 2500 | ||||
Г2500 | 200 ~ 4000 | ||||
300 (12 дюймов) | G1600 | 130 ~ 2500 | |||
Г2500 | 200 ~ 4000 | ||||
Г4000 | 320 ~ 6500 |
① Диапазон расхода, указанный в таблице, относится к диапазону расхода во время заводской калибровки продукта (с воздухом в качестве среды при нормальной температуре и давлении).
② По мере увеличения давления диапазон расхода также соответственно расширяется.
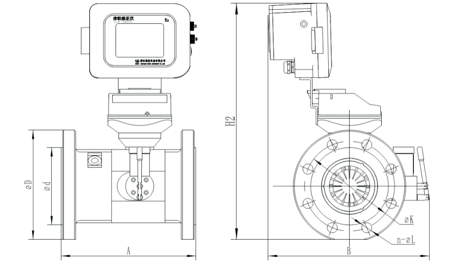
Размеры расходомера показаны на РИС. 2 и указаны в Таблице 2. В расходомере используются фланцевые соединения, размеры фланцев соответствуют стандарту GB/T9124-2019.

РИС. 2 Габаритный чертеж WTD
Единица измерения: мм Таблица 2
Номинальный диаметр | A Расстояние между двумя фланцами | Ширина | Высота | D Внешний диаметр фланца | K Расстояние до центра болта | Схема расположения отверстий под болты | d Уплотняющая поверхность | ||||
B | Б1 | H | H1 | Н2 | n | L | |||||
50 | 150 | 215 | 225 | 317 | 230 | 380 | 165 | 125 | 4 | 18 | 102 |
80 | 240 | 232 | 242 | 350 | 260 | 410 | 200 | 160 | 8 | 18 | 138 |
100 | 300 | 252 | 262 | 370 | 280 | 430 | 220 | 180 | 8 | 18 | 158 |
150 | 450 | 312 | 322 | 428 | 338 | 488 | 285 | 240 | 8 | 22 | 212 |
200 | 600 | 381 | 397 | 496 | 407 | 557 | 340 | 295 | 12 | 22 | 268 |
250 | 375 | 445 | 455 | 559 | 469 | 619 | 405 | 355 | 12 | 26 | 320 |
300 | 450 | 490 | 490 | 605 | 515 | 665 | 460 | 410 | 12 | 26 | 378 |
При заказе этого продукта пользователи должны выбрать соответствующую спецификацию на основе номинального давления в трубопроводе, максимального среднего давления, температуры среды, диапазона расхода и условий окружающей среды, а также выбрать подходящую электронную головку в соответствии с фактическими потребностями.
При размещении заказа, пожалуйста, правильно заполните форму в соответствии со следующим форматом.
