| штат: | |
|---|---|
| Количество: | |
ВФ
WEIDU
Расходомер с открытым каналом серии WF представляет собой прибор для измерения расхода дифференциального давления. Этот расходомер имеет функцию автоматической компенсации отслеживания перепада давления, температуры и концентрации измеряемого газа, напрямую отображает общий объем газа в стандартных условиях и поддерживает несколько вариантов вывода сигнала.
Он подходит для таких применений, как измерение расхода котельного и коксового газа на сталелитейных предприятиях, измерение расхода на газозаправочных станциях и измерение расхода устьевого природного газа в газохранилищах.
Эффект самовыпрямления, требующий коротких прямых участков трубы (метр класса 1,0: 5D вверх по потоку и 2D вниз по потоку; счетчик класса 2,0: прямой участок трубы не требуется).
Расходомер оснащен стенным отбором давления, свободным от вихрей и помех обратного потока, с отверстиями для отбора давления, устойчивыми к засорению.
Корпус шпинделя имеет гладкие дугообразные поверхности и обтекаемую форму без острых кромок, что обеспечивает износостойкость, долговременную стабильность и увеличенный срок службы.
Низкий нижний предел измерения и относительно небольшая постоянная потеря давления. Потеря давления составляет от 1/5 до 1/3 от потери давления в диафрагме, что позволяет использовать меньшее соотношение эквивалентных диаметров и более низкий нижний предел измерения.
На измерения не влияют влажность и влажность; в дроссельной секции не скапливается жидкость.
Незначительная влага и примеси в газе не влияют на работу расходомера.
Оснащен высокоточными цифровыми датчиками температуры и цифровыми датчиками давления. Цифровой датчик давления включает встроенную температурную компенсацию и коррекцию, обеспечивающую высокую точность определения давления, долговременную стабильность и минимальный температурный дрейф.
Способен автоматически определять значения температуры, давления и концентрации среды, выполнять коррекцию температуры и давления, а также преобразовывать объемный расход и общий объем в рабочих условиях в объемный расход и общий объем в стандартных условиях.
Имеет систему хранения данных большой емкости с функцией защиты от несанкционированного доступа, автоматически записывающую критические изменения данных и исторические данные.
Являясь новым дросселирующим расходомером, желобный расходомер генерирует кольцевой желобный поток внутри устройства, когда газ проходит через дросселирующий элемент в форме веретена, при этом расход рассчитывается на основе дросселирующего перепада давления. Формула расчета расхода выглядит следующим образом:

РИС.1

РИС.2
Как показано на фиг.1 и 2, расходомер канального типа преобразует любой сложный восходящий поток в поток кольцевого канала, тем самым значительно уменьшая или даже устраняя типичные требования к прямолинейной трубе до и после расходомера.
4.1 Применимые стандарты
Расходомер лотка серии WF соответствует стандарту предприятия Q/WD005-2025 «Расходомер дымового газа» и регламенту проверки JJG640-2016 «Расходомер дифференциального давления». Продукт также соответствует соответствующим разделам GB/T3836.1-2021 «Взрывоопасная атмосфера – Часть 1: Общие требования к оборудованию» и стандарту GB/T3836.4-2021 «Взрывоопасная атмосфера – Часть 4: Оборудование, защищенное искробезопасностью «i»».
4.2 Класс точности
Класс точности: 1,0; Повторяемость: лучше 0,1%; Коэффициент отклонения: 5:1.
Класс точности : 2,0; Повторяемость: лучше 0,1 %; Коэффициент изменения диапазона : 10:1 (расширяется до 30:1, 150:1 при использовании нескольких комбинаций датчиков перепада давления).
4.3 Основные параметры перечислены в таблице 1.
Таблица 1
Номинальный диаметр (ДН) | Модель | G-рейтинг | Диапазон расхода (м 3/ч) | Макс. Потеря давления (кПа) | Номинальное давление (МПа) | Материал корпуса | Артикул W восемь (кг) |
200 | ВФ-200 | G1600 | 250 ~ 2500 | ≤2 | ≤40 | Q235 | 68 |
250 | ВФ-250 | G1600 | 250 ~ 2500 | 100 | |||
300 | ВФ-300 | Г2500 | 400 ~ 4000 | 145 | |||
| 350 | ВФ-350 | Г2500 | 400 ~ 4000 | 193 | |||
| Г4000 | 650 ~ 6500 | ||||||
| 400 | ВФ-400 | Г4000 | 650 ~ 6500 | 240 | |||
| Г6500 | 1000 ~ 10000 | ||||||
450 | ВФ-450 | Г6500 | 1000 ~ 10000 | 327 | |||
G10000 | 1600 ~ 16000 | ||||||
500 | ВФ-500 | Г6500 | 1000 ~ 10000 | 400 | |||
G10000 | 1600 ~ 16000 | ||||||
600 | ВФ-600 | G10000 | 1600 ~ 16000 | 579 | |||
G16000 | 2500 ~ 25000 | ||||||
700 | ВФ-700 | G10000 | 1600 ~ 16000 | 605 | |||
G16000 | 2500 ~ 25000 | ||||||
800 | ВФ-800 | G16000 | 2500 ~ 25000 | 812 | |||
G25000 | 4000 ~ 40000 | ||||||
1000 | ВФ-1000 | G25000 | 4000 ~ 40000 | 1260 | |||
G40000 | 6500 ~ 65000 | 1915 | |||||
1200 | ВФ-1200 | G40000 | 6500 ~ 65000 | 2522 | |||
G65000 | 10000 ~ 100000 | 3378 | |||||
1400 | ВФ-1400 | G65000 | 10000 ~ 100000 | 4224 | |||
Г100000 | 16000 ~ 160000 | 5488 | |||||
1600 | ВФ-1600 | G65000 | 10000 ~ 100000 | 6282 | |||
Г100000 | 16000 ~ 160000 | 7602 | |||||
1800 | ВФ-1800 | Г100000 | 16000 ~ 160000 | 8742 | |||
G160000 | 25000 ~ 250000 | 10410 | |||||
2000 | ВФ-2000 | Г100000 | 16000 ~ 160000 | 1260 | |||
G160000 | 25000 ~ 250000 | 1915 | |||||
2200 | ВФ-2200 | G160000 | 25000 ~ 250000 | 2522 | |||
Г250000 | 40000 ~ 400000 | 3378 | |||||
2400 | ВФ-2400 | G160000 | 25000 ~ 250000 | 4224 | |||
Г250000 | 40000 ~ 400000 | 5488 | |||||
2600 | ВФ-2600 | Г250000 | 40000 ~ 400000 | 6282 | |||
Г400000 | 65000 ~ 650000 | 7602 | |||||
2800 | ВФ-2800 | Г250000 | 40000 ~ 400000 | 8742 | |||
Г400000 | 65000 ~ 650000 | 10410 | |||||
Примечание:
| |||||||
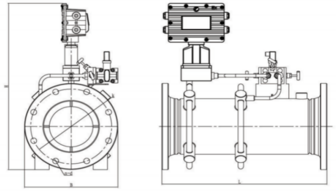
Габаритные размеры показаны на РИС.3 (см. Таблицу 2 ), а размеры фланцев соответствуют GB/T9124-2019.

РИС.3
Единица измерения: мм Таблица 2
Номинальный диаметр | L | H | D | k | nd |
Ду200 | 600 | 697 | 340 | 295 | 8*Φ22 |
Ду250 | 750 | 752 | 395 | 350 | 12*Φ22 |
Ду300 | 900 | 803 | 445 | 400 | 12*Φ22 |
Ду350 | 1050 | 863 | 505 | 460 | 16*Φ22 |
Ду400 | 1200 | 913 | 565 | 515 | 16*Φ26 |
Ду450 | 1350 | 965 | 615 | 565 | 20*Φ26 |
Ду500 | 1500 | 1017 | 670 | 620 | 20*Φ26 |
Ду600 | 1800 | 1122 | 780 | 725 | 20*Φ30 |
Ду700 | 2100 | 1225 | 895 | 840 | 24*Φ30 |
Ду800 | 2400 | 1335 | 1015 | 950 | 24*Φ33 |
Ду1000 | 3000 | 1542 | 1230 | 1160 | 28*Φ36 |
ДУ1200 | 3600 | 1755 | 1455 | 1380 | 32*Φ39 |
ДУ1400 | 4200 | 1965 | 1675 | 1590 | 36*Φ42 |
Ду1600 | 4800 | 2185 | 1915 | 1820 | 40*Φ48 |
Ду1800 | 5400 | 2385 | 2115 | 2020 | 44*Φ48 |
Ду2000 | 6000 | 2590 | 2325 | 2230 | 48*Φ48 |
Ду2200 | 6600 | 2810 | 2550 | 2440 | 52*Φ56 |
Ду2400 | 7200 | 3016 | 2760 | 2650 | 56*Φ56 |
Ду2600 | 7800 | 3207 | 2960 | 2850 | 60*Φ56 |
Ду2800 | 8400 | 3417 | 3180 | 3070 | 64*Φ56 |
6.1 Статус рабочего дисплея
6.1.1 Рабочий дисплей расходомера лотка серии WF (см. РИС. 4)

РИС.4
Общий объем метана и общий объем газа (стандартный объем) могут отображаться в любом из 2 режимов по выбору пользователя или в режиме попеременного отображения с 2-секундным интервалом. Значения могут сохраняться до 4 десятичных знаков с автоматическим переносом при переполнении, максимальное значение — 9 999 999 999 Нм³.
Расход может отображаться либо в рабочем состоянии, либо в стандартном состоянии по выбору пользователя, либо в попеременном режиме отображения с 2-секундным интервалом. Значения могут сохраняться до 3 десятичных знаков с автоматическим переносом при переполнении, максимальное значение 99 999 м³/ч.
Концентрация метана отображается в диапазоне от 0 до 99,99% с сохранением значений до 2 десятичных знаков.
Расход метана или расход угарного газа отображается в стандартном состоянии. Пользователь может выбрать либо режим отображения, либо выбрать попеременный режим отображения с 2-секундным интервалом. Значения могут сохраняться до 3 десятичных знаков с автоматическим переносом при переполнении, максимальное значение 99 999 м³/ч.
Дисплей концентрации угарного газа показывает содержание угарного газа.
Диапазон отображения температуры от -30°С до +110°С.
Значения давления могут сохраняться с точностью не менее 1 десятичного знака, минимальное значение 1 кПа и максимальное значение 9999 МПа. Единицу измерения может установить пользователь в интеграторе.
Поддерживает связь по шине RS485 и протокол Modbus.
6.2 Ключевые операции
Функциональная клавиша: нажмите и удерживайте в течение 3 секунд, чтобы войти в меню настройки. Нажмите и удерживайте в течение 3 секунд еще раз в любом состоянии без изменений, чтобы выйти из режима настройки. В меню настройки он действует как клавиша перелистывания страниц. В режиме изменения данных он служит клавишей сохранения.
Клавиша курсора Shift: выбирает положение курсора для изменения данных.
Ключ данных: в режиме изменения данных этот ключ увеличивает числовое значение.
Клавиша возврата: возврат на предыдущий уровень меню после завершения изменения данных.
6.3 Конфигурация параметров
Чтобы предотвратить несанкционированные изменения параметров прибора, которые могут повлиять на точность измерений, этот прибор оснащен функцией защиты двойным паролем. Изменение или настройка любого параметра требует предварительного подтверждения соответствующего пароля. Только после правильного подтверждения можно изменять или устанавливать параметры. Когда определенная цифра параметра доступна для изменения, это будет указано миганием на ЖК-дисплее. Все настраиваемые параметры отображаются на ЖК- экране с помощью клавиш. Их определения, символы и отображение приведены в таблице 3.
Таблица 3. Функции кнопок
Последовательность отображения | Определение | Режим отображения | Описание | ||
Символ | Ценить | ||||
Страница ввода пароля P_00 | Пароль пользователя | Код | хххх | В целях безопасности все пароли отображаются как 0000. | |
Содержимое, отображаемое после ввода пароля пользователя | P_01 | Скорость передачи данных | бод | хххххх | 9600 (по умолчанию), 19200, 38400 |
P_02 | Адрес связи | адрес | х.ххх | Диапазон: 1–255. По умолчанию: 1. | |
P_03 | Относительная плотность газа | гр | х.ххх | Диапазон: 0–0,75. По умолчанию: 0,65. | |
P_04 | Максимальное давление | PH | хххх | По умолчанию: 1000 | |
P_05 | Выбор выхода высокого/низкого уровня | LVL | ХХ | HL (по умолчанию), LH | |
P_06 | Выбор дисплея мгновенного расхода | д-- | ххх | qb Стандартное состояние (по умолчанию) , qbn Автоматическое переключение между рабочим и стандартным режимами, qnn Рабочее состояние Расход | |
| P_07 | Выбор отображения общего объема газа | K | ххх | Общее количество газа Kb (стандартные условия, по умолчанию), Общее количество газа Kb (условия эксплуатации) | |
| P_08 | Общий выбор режима отображения | C | хх | C1 Всего газа, C2 Всего метана, C3 Автопереключение (по умолчанию) | |
| P_09 | Многопараметрическое отображение потока | D | хх | D1 Мгновенный расход метана (по умолчанию), D2 Мгновенный расход угарного газа | |
| P_10 | Выбор единицы измерения давления | P | хх | П1. кПа (по умолчанию), P2. МПа | |
| P_11 | Настройки даты и времени | дт | ГГГГ-ММ-ДД ддд ЧЧ:мм | ||
6.3.1 Подтверждение пароля
Нажмите и удерживайте кнопку SET (K1), пока дисплей не перейдет в состояние пароля. Затем последовательно помощью цифровой с клавиши (К3) и клавиши Shift ( К2 ) установите соответствующий пароль по цифре справа налево. Наконец, нажмите кнопку SET (K1) для подтверждения.
6.3.2 Настройка параметров
После правильного подтверждения пароля можно изменить или установить различные параметры. Нажмите кнопку SET (K1) , чтобы перейти к параметру, который необходимо изменить или установить. Используйте цифровую клавишу (K3) и клавишу Shift (K2), чтобы установить значение по цифрам справа налево. Как только значение будет установлено правильно, нажмите кнопку SET (K1) для подтверждения. После установки всех параметров нажмите и удерживайте кнопку SET (K1), чтобы выйти из состояния настройки. После этого прибор вернется в исходное рабочее состояние. (Если кнопка сброса (K4) не нажата и ни одна клавиша не нажата в течение 2 минут после изменения или настройки параметров, прибор автоматически вернется в исходное рабочее состояние.)
Примечание. Параметры, следующие за заводским паролем (PP), предварительно устанавливаются на заводе. Пользователи не должны произвольно изменять их , поскольку это может повлиять на точность измерений или нормальную работу прибора .
6.4 Способ подключения
6.4.1 Схема подключения внешнего источника питания и выходных клемм корректора объема (см. РИС.5). Определения и функции каждого отведения следующие:

ИНЖИР . 5 Схема подключения внешнего источника питания и выхода корректора объема
а. Описание распиновки авиационной розетки (7-контактной):
V+ –– Плюс внешнего источника питания (9–32 В постоянного тока), красный.
G – Минус внешнего источника питания, черный.
P out – Выход импульсного сигнала в рабочем/стандартном состоянии.
A1 – линия связи RS-485 A, синяя.
B1 – линия связи RS-485 B, зеленая.
A2 – линия связи RS-485 A, оранжевая.
B2 – линия связи RS-485 B, белый.
б. Другие терминалы:
I+ –– Выход 4–20 мА, положительный.
I- –– Выход 4–20 мА отрицательный.
Примечание. Соединения проводов можно увидеть на задней крышке объемного корректора. Все внутренних датчиков провода были предварительно подключены на заводе и не должны быть произвольно изменены. Если требуется разборка, обратитесь к электрической схеме на задней крышке и выполните повторное подключение согласно соответствующей маркировке.
6.4.2 Подключение системы
6.4.2.1 Режим связи RS485 (как показано на РИС. 6)

РИС. 6. Связь по RS-485 (дополнительный барьер безопасности GS8593-EX3).
6.4.2.2 Выходной импульсный сигнал (Рабочий импульсный сигнал пропорционален стандартному объемному расходу , представленному в виде частотного сигнала) (см. РИС. 7).

РИС.7 Импульсный выход (дополнительный барьер безопасности PF-728)
6.4.2.3 Двухпроводной токовый выход 4–20 мА (см. РИС. 8)

РИС. 8. Двухпроводной токовый выход (дополнительный барьер безопасности GS8547-EX).
Предупреждение: Не открывайте крышку при наличии взрывоопасного газа; на устройство нельзя подавать питание, когда авиационный разъем отсоединен.
Расходомер должен быть упакован в прочный деревянный ящик (среднего и малого диаметра допускается упаковывать в пенопласт и картон) и не должен свободно перемещаться внутри коробки. Во время перемещения его следует поднимать и размещать с осторожностью, грубое обращение не допускается.
Условия транспортировки и хранения расходомера должны соответствовать требованиям GB/T 25480-2010 «Основные условия окружающей среды и методы испытаний при транспортировке и хранении приборов».
Расходомер должен храниться при следующих условиях:
Защищен от дождя и влаги;
Не подвержен механической вибрации или ударам;
Диапазон температур: 5 °С ~ 40 °С;
Относительная влажность: не более 90%;
Окружающая среда свободна от агрессивных газов.
При распаковке сначала проверьте целостность внешней упаковки, затем сверьте содержимое коробки и сопроводительные документы с упаковочным листом на предмет комплектности.
Сопроводительные документы и предметы:
Товарная накладная
Руководство пользователя
Сертификат калибровки продукта или сертификат проверки
Сертификат квалификации продукции
Прежде чем заказывать изделие, пожалуйста, внимательно прочтите данное руководство. Выберите подходящий расходомер на основе номинального диаметра трубы, номинального давления, диапазона расхода, максимального давления среды, диапазона температуры среды и условий окружающей среды.
При размещении заказа внимательно заполните таблицу основных параметров.
