| штат: | |
|---|---|
| Количество: | |
ВЛЮКС
WEIDU
Благодарим вас за выбор нашего интеллектуального вихревого расходомера с прецессией. Этот продукт представляет собой современный прибор для измерения расхода газа, разработанный нашей компанией на основе многолетнего практического опыта и внедрения передовых международных технологий. Он объединяет функции определения расхода, температуры и давления и поддерживает автоматическую компенсацию температуры, давления и коэффициента сжимаемости . Обладая превосходными антивибрационными и помехозащищенными свойствами, высокой точностью и превосходной повторяемостью, этот расходомер является идеальным выбором для измерения газа в таких отраслях, как нефтехимия, химическая промышленность, энергетика и металлургия.
1.1 Основные характеристики продукта
Не имеет механических движущихся частей, устойчив к коррозии, стабилен, надежен, имеет длительный срок службы и не требует специального обслуживания при длительной эксплуатации.
Использует 16-битный компьютерный чип с высокой степенью интеграции, компактным размером, отличной производительностью и мощной функциональностью.
Интеллектуальный расходомер объединяет датчик расхода, микропроцессор, датчики давления и температуры во встроенной конструкции для компактной конструкции, способной напрямую измерять расход, давление и температуру с компенсацией в реальном времени и коррекцией коэффициента сжатия.
Использует двойное обнаружение и передовую технологию обработки датчиков, а также оптимизированную установку для повышения мощности сигнала, обеспечения точного обнаружения и подавления вибрационных помех в трубопроводе.
Включает ведущую интеллектуальную антивибрационную технологию для эффективного минимизации помех от вибрации и колебаний давления.
Имеет точечно-матричный дисплей с китайскими иероглифами для четкого и интуитивного считывания показаний, отображающий объемный расход в реальном времени, стандартизированный объемный расход, общий объем, давление, температуру и другие параметры.
Преобразователь выдает частотные импульсы, аналоговые сигналы 4–20 мА и включает интерфейс RS485 для подключения к компьютеру на расстоянии до 1,2 км.
Поддерживает многопараметрический выходной сигнал тревоги, настраиваемый пользователем.
Сигналы давления и температуры поступают от датчиков, что обеспечивает высокую взаимозаменяемость.
Низкое энергопотребление, работает от встроенной батареи или внешнего источника питания.
1.2 Основные приложения
Интеллектуальный вихревой прецессионный расходомер широко используется в нефтяной , химической , энергетической, металлургической и коммунальной газоснабжениях для измерения различных потоков газа. Он служит предпочтительным выбором для измерения и коммерческого учета на нефтяных месторождениях и в городских системах транспортировки и распределения природного газа.
2.1 Конструкция расходомера
Вихревой расходомер имеет компактную конструкцию и в основном состоит из корпуса, вихревого генератора, датчиков (температуры, давления и расхода), выпрямителя потока и компьютера расхода. (См. РИС. 1)

1. Генератор вихрей 2. Корпус 3. Интеллектуальный сумматор расхода 4. Датчик расхода 5. Датчик температуры 6. Датчик давления 7. Выпрямитель потока
РИС.1 Конструкция расходомера
Генератор вихрей: Изготовлен из алюминиевого сплава со спиральными лопастями, расположенными под определенным углом и закрепленными в передней части корпуса, чтобы заставить жидкость создавать сильный вихревой поток.
Корпус: Имеет фланцы и профильный канал для жидкости. Материалы включают литой алюминиевый сплав или нержавеющую сталь, в зависимости от рабочего давления.
Интеллектуальный сумматор расхода: состоит из аналоговых каналов определения температуры/давления, цифровых каналов определения расхода, микропроцессорного блока, схемы управления ЖК-дисплеем и вспомогательных цепей. Оснащен внешними сигнальными интерфейсами.
Датчик расхода: устанавливается рядом с горловиной секции расширения корпуса для обнаружения частотного сигнала прецессии вихрей.
Датчик температуры: в качестве чувствительных элементов используются платиновые резисторы Pt100/Pt1000, сопротивление которых соответствует температуре в указанном диапазоне.
Датчик давления: в качестве чувствительного элемента используется пьезорезистивный диффузионный кремниевый мост. Сопротивление моста предсказуемо изменяется под давлением, создавая выходное напряжение , пропорциональное давлению под действием тока возбуждения.
Формирователь потока: закреплен в выпускной части корпуса для устранения вихревого потока и минимизации влияния на работу прибора, расположенного ниже по потоку.
2.2 Принцип работы
Датчик потока имеет профиль канала потока, аналогичный трубке Вентури (как показано на фиг.2). На входной стороне установлен набор винтовых направляющих аппаратов. Когда жидкость попадает в датчик, направляющие лопатки создают в ней интенсивный вихревой поток. По мере продвижения жидкости в диффузионную секцию на вихрь воздействует противоток и он подвергается вторичному вращению, образуя гироскопическую прецессию. Эта частота пропорциональна скорости потока и не зависит от свойств и плотности жидкости. Обнаружив частоту вторичной прецессии вращения, можно добиться превосходной линейности в широком диапазоне расходов . Сигнал усиливается, фильтруется и преобразуется предусилителем в импульсный сигнал , пропорциональный скорости потока. Затем он отправляется в микропроцессор вместе с сигналами температуры и давления для интеграции и обработки. Окончательные результаты измерений (мгновенный расход , общий расход, температура и давление) отображаются на ЖК-экране. Блок-схема интегратора представлена на фиг.3.

РИС.2 Принцип работы
2.3 Принцип работы сумматора расхода
Сумматор расхода состоит из аналоговых каналов определения температуры и давления , канала датчика расхода и микропроцессорного блока с внешними интерфейсами вывода сигналов Микропроцессор компенсирует температуру . и давление на основе уравнения газа и автоматически корректирует коэффициент сжатия, как это выражено в следующем уравнении газа :

Примечание. Для колокол-прувера или калибровки отрицательного давления Z N /Z принимается равным 1. Для природного газа (Z N /Z)¹ / ² = F₂, который представляет собой коэффициент сверхсжимаемости, рассчитанный по формуле стандарта SY/T6143-1996 Китайской национальной нефтяной корпорации.

ИНЖИР . 3 Функциональная блок-схема сумматора
3.1 Применимый стандарт
JJQ1211-2015 «Регулирование проверки расходомеров вихревой прецессии»
3.2 Класс точности
При заданном диапазоне расхода и условиях эксплуатации класс точности расходомера составляет класс 1,0 и класс 1,5.
3.3 Параметры расходомера
Таблица 1 Параметры расходомера
Технические характеристики модели | Номинальный диаметр Ду (мм) | Тип | Условия эксплуатации Диапазон расхода (м 3/ч) | Рабочее давление (МПа) | Класс точности | Материал корпуса |
WLUX-25 | 25 | / | 2,5 ~ 30 | 1.6 2.5 4.0 6.3 | 1.0 1.5 | Литой алюминиевый сплав 1,6 МПа; Нержавеющая сталь 2,5 ~ 6,3 МПа |
WLUX-32 | 32 | / | 4,5 ~ 60 | |||
WLUX-50A | 50 | Тип А | 6,0 ~ 75 | |||
WLUX-50B | Тип Б | 10 ~ 130 | ||||
WLUX-80A | 80 | Тип А | 18 ~ 200 | |||
WLUX-80B | Тип Б | 28 ~ 400 | ||||
WLUX-100A | 100 | Тип А | 40 ~ 600 | |||
WLUX-100B | Тип Б | 55 ~ 800 | ||||
WLUX-150A | 150 | Тип А | 60 ~ 900 | |||
WLUX-150B | Тип Б | 135 ~ 1800 | ||||
WLUX-200 | 200 | / | 240 ~ 3600 |
Примечание. Точность: Точность системы после коррекции температуры и давления.
3.4 Стандартные исходные условия
Р=101,325 кПа, Т=293,15 К
3.5 Условия эксплуатации
Температура окружающей среды: -30 °C ~ +65 °C;
Относительная влажность: 5% ~ 95%;
Температура среды: -20 °C ~ +80 °C;
Атмосферное давление: 86 кПа ~ 106 кПа.
3.6 Источник питания и выходной сигнал
3.6.1 Источник питания
Внешнее питание: +24 В постоянного тока ±15 %, пульсация <5 %. Подходит для выхода 4–20 мА , импульсного выхода, выхода сигнализации, связи RS-485 и т. д.
Внутреннее питание: один комплект литиевых батарей 3,6 В (ER26500). Индикатор низкого заряда батареи активируется, когда напряжение падает ниже 3,0 В.
3.6.2 Энергопотребление
Внешняя мощность: <2 Вт.
Внутренняя мощность: средняя потребляемая мощность 1 мВт, что обеспечивает непрерывную работу более 1 года.
3.6.3 Режим импульсного выхода
Импульсный сигнал рабочего состояния : Непосредственно выводит импульсный сигнал рабочего состояния, обнаруженный датчиком расхода, через изоляцию и усиление оптопары. Высокий уровень ≥20 В, низкий уровень ≤1 В.
Калиброванный импульсный сигнал: для использования с контроллерами клапанов с IC- картой . Высокий уровень ≥2,8 В, низкий уровень ≤0,2 В. Объемный объем, представленный на импульс, настраивается от 0,001 м³ до 100 м³.
Примечание. При выборе этого значения убедитесь , что частота калиброванного импульсного сигнала составляет ≤1000 Гц. Калибровочный импульсный сигнал выводится через оптронную изоляцию и усиление с высоким уровнем ≥20 В и низким уровнем ≤1 В.
3.6.4 Связь RS-485 (оптоизолированная)
Интерфейс связи RS-485 обеспечивает следующие функции:
Используя интерфейс RS-485 , расходомер может напрямую подключаться к главному компьютеру или вторичному счетчику для удаленной передачи и отображения температуры среды, давления, стандартного объемного расхода (с компенсацией по температуре и давлению) и общего стандартного объема .
В сочетании с устройством сбора данных HW-I через интерфейс RS-485 он может образовывать систему связи телефонной сети. Один коллектор данных может обслуживать до 15 расходомеров.
В сочетании с коллектором данных HW-II через интерфейс RS-485 он может образовывать широкополосную сетевую систему связи для передачи данных через Интернет Один коллектор данных может поддерживать . до 8 расходомеров.
3.6.5 Стандартный токовый сигнал 4 ~ 20 мА (оптоизолированный)
Выход пропорционален стандартному объемному расходу 4 . мА соответствует 0 м³/ч, а 20 мА соответствует максимальному стандартному объемному расходу (это значение можно установить в главном меню ). Система: Двухпроводная или трехпроводная система. Расходомер может автоматически распознавать установленный модуль токового выхода и правильно выводить сигнал.
3.6.6 Выходы управляющих сигналов
Сигнализация нижнего предела (LP): оптоизолированная, настраивается на сигнализацию высокого или низкого уровня. Рабочее напряжение: от +12 В до +24 В. Максимальный ток нагрузки: 50 мА.
Сигнализация верхнего предела (UP): Оптоизолированная, настраивается на сигнализацию высокого или низкого уровня. Рабочее напряжение: от +12 В до +24 В. Максимальный ток нагрузки: 50 мА.
Выход сигнала тревоги закрытия клапана (клемма BC, для контроллера IC-карты): выход цепи логического вентиля. Нормальное состояние: низкий уровень (амплитуда ≤0,2 В). Состояние тревоги : высокий уровень (амплитуда ≥2,8 В). Сопротивление нагрузки ≥100 кОм.
Выход сигнала тревоги низкого напряжения батареи (клемма BL, для контроллера IC-карты): выход цепи логического вентиля. Нормальное состояние: низкий уровень (амплитуда ≤0,2 В). Состояние тревоги: высокий уровень (амплитуда ≥2,8 В). Сопротивление нагрузки ≥100 кОм.
3.7 Функции отображения на месте
На панели дисплея интегратора в реальном времени отображаются температура, давление, мгновенный расход и суммарный расход в рабочих (или стандартных) условиях.
Функции сигнализации : Сигнализация верхнего/нижнего предела расхода , верхнего/нижнего предела температуры и верхнего/нижнего предела давления. Способ сигнализации: мигание символа на дисплее.
3.8 Тип и класс взрывозащиты
Тип взрывозащиты: Маркировка Exd II CT6 Gb
3.9 Степень защиты IP66
3.10 Потеря давления
Фактическая потеря давления расходомера рассчитывается по следующей формуле:

Его характеристическая кривая показана на фиг.4.

РИС.4. Кривая потери давления
3.11 Интерфейс электрического подключения
Внутренняя резьба М20×1,5
3.12 Руководство по выбору
3.12.1 Критерии выбора
При размещении заказа пользователи должны выбрать подходящую модель расходомера и его характеристики, исходя из номинального давления трубопровода, максимального рабочего давления, рабочей температуры, диапазона расхода, условий окружающей среды и других соответствующих факторов.
3.12.2 Правильная процедура выбора
Если скорость потока , указанная пользователем, является скоростью потока в рабочем состоянии , соответствующий диаметр расходомера можно выбрать непосредственно в соответствии с Таблицей 2.
Если скорость потока, указанная пользователем, является скоростью потока в стандартных условиях, ее следует преобразовать в скорость потока в рабочем состоянии, прежде чем выбирать соответствующий диаметр расходомера.
Формула преобразования:

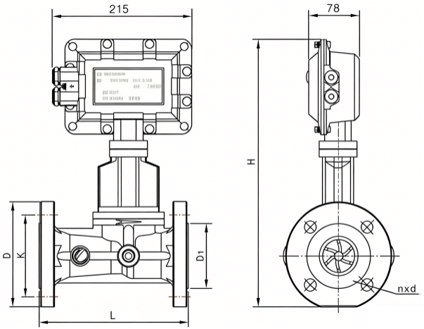
Внешние размеры расходомера показаны на фиг.5, а неуказанные размеры указаны в таблице 2. В расходомере используется метод фланцевого соединения. Размеры фланца соответствуют стандарту фланцев GB/T9124-2019.

ИНЖИР . 5 Внешний вид расходомера
Единица измерения: мм Таблица 2
Номинальный диаметр | Номинальное давление (МПа) | L | H | D | K | nd |
25 | 1,6 ~ 4,0 | 182 | 347 | 115 | 85 | 4-Φ14 |
32 | 1,6 ~ 4,0 | 200 | 362 | 140 | 100 | 4-Φ18 |
50 | 1,6 ~ 4,0 | 233 | 405 | 165 | 125 | 4-Φ18 |
80 | 1,6 ~ 4,0 | 330 | 428 | 200 | 160 | 8-Φ18 |
100 | 1.6 | 410 | 446 | 220 | 180 | 8-Φ18 |
150 | 1.6 | 580 | 509 | 285 | 240 | 8-Φ22 |
200 | 1.6 | 700 | 560 | 340 | 295 | 12-Φ22 |
Примечание. Приведенные выше данные предназначены только для справки и зависят от фактического продукта. Технические обновления могут быть реализованы без предварительного уведомления.
4.2 Установка расходомера
4.2.1 Установка расходомера
При монтаже категорически запрещается производить электросварку непосредственно на входных/выходных фланцах расходомера во избежание повреждения его внутренних компонентов.
Для вновь установленных или отремонтированных трубопроводов тщательная очистка от мусора внутри труб . перед установкой расходомера необходима
Установите расходомер в месте, доступном для обслуживания, защищенном от сильных электромагнитных помех, сильной механической вибрации и значительного теплового излучения.
Расходомер не рекомендуется использовать в системах с частыми перебоями потока, сильным пульсирующим потоком или значительными пульсациями давления.
При наружной установке обеспечьте крышку над расходомером, чтобы защитить его от дождевой воды и прямых солнечных лучей, которые могут повлиять на срок его службы.
Расходомер можно установить под любым углом. Убедитесь, что направление жидкости соответствует направлению потока, указанному на счетчике.
При строительстве трубопровода рассмотрите возможность установки компенсаторов или сильфонов, чтобы предотвратить чрезмерную нагрузку или разрыв расходомера.
Установите расходомер соосно трубопроводу. Будьте осторожны, чтобы предотвратить попадание прокладочного материала или смазки во внутреннюю полость расходомера.
При использовании внешнего источника питания расходомер должен быть надежно заземлен. Он не должен использовать общую линию заземления с электрическими системами высокой мощности. Во время монтажа или обслуживания трубопровода не подключайте заземляющие кабели электросварочной системы к расходомеру.
Чтобы обеспечить бесперебойную транспортировку жидкости и облегчить техническое обслуживание, установите обводной трубопровод, как показано на РИС.6. Убедитесь, что предусмотрены прямые участки трубы диаметром не менее 3DN на входе и 1DN на выходе .

РИС.6 Схема установки обводного трубопровода
4.2.2 Требования к прямому сечению трубы
Основываясь на принципе работы расходомера вихревой прецессии и его требованиях к прямым участкам трубы выше и ниже по потоку, рекомендуется принять длину прямых участков трубы до и после расходомера , как показано на фиг.7, для различных компонентов, возмущающих поток выше по потоку. Кроме того, внутренняя стенка прямых участков трубы должна быть гладкой и прямой.
Инструкции | Иллюстрации |
Убедитесь , что длина прямого участка трубы на стороне входа составляет не менее 3D , а на стороне выхода — не менее 2D . Принципиальную схему см. в разделе I (D: номинальный диаметр расходомера вихревой прецессии ) . |
|
Установка на изгибе: Для изгибов необходимо сохранять минимальный прямой участок трубы размером 3D вверх по потоку, а минимальный прямой участок трубы размером 2D должен сохраняться после трубопровода. См. схему II в разделе II. | |
Для установки переходника : Обеспечьте наличие прямого участка трубы перед переходником длиной не менее 3D и прямого участка трубы за ним длиной не менее 2D. См. III для иллюстрации. | |
Расширяющаяся секция трубы: Для расширяющейся секции трубы убедитесь, что длина прямой трубы на входе составляет не менее 3D, а длина прямой трубы на выходе — не менее 2D. См. принципиальную схему в разделе IV. | |
Клапан: Если клапан установлен на стороне входа, убедитесь, что длина прямой трубы на входе составляет не менее 5D, а длина прямой трубы на выходе — не менее 2D. Обратитесь к V для иллюстрации. |
ИНЖИР . 7 Требования к прямому участку трубы для установки расходомера
4.2.3 Меры предосторожности при установке
Датчик может быть установлен в вертикальном, горизонтальном или любом наклонном положении в соответствии с маркировкой направления потока.
Если трубопровод длинный или находится вблизи источников вибрации, перед и после расходомера следует установить опоры, чтобы исключить влияние вибрации трубопровода.
Место установки датчика должно обеспечивать достаточное пространство для облегчения осмотра и обслуживания расходомера и должно соответствовать экологическим требованиям, предъявляемым к расходомеру.
Избегайте помех от сильных внешних магнитных полей.
При установке на открытом воздухе обеспечьте защитную крышку, чтобы избежать воздействия прямых солнечных лучей и дождевой эрозии, которая может повлиять на срок службы прибора.
Во время испытания трубопровода под давлением обратите внимание на диапазон измерения давления датчика давления, оснащенного интеллектуальным расходомером, чтобы избежать повреждения из-за избыточного давления.
Учитывайте последствия монтажного стресса. Трубопроводы выше и ниже по потоку должны быть соосны расходомеру, чтобы избежать напряжения сдвига. При установке учитывайте толщину уплотнительных прокладок или установите гибкий компенсатор после.
Перед установкой расходомера удалите сварочный шлак и другой мусор из трубопровода.
Во время ввода в эксплуатацию медленно открывайте клапаны на входе и выходе расходомера, чтобы предотвратить повреждение вихревого генератора при мгновенной чрезмерной скорости потока.
Если для расходомера требуется дистанционная передача сигнала , подключайте внешний источник питания строго в соответствии с требованиями «Рабочего источника питания » (8–24 В постоянного тока ) . Никогда не подключайте питание 220 В переменного тока или 380 В переменного тока напрямую к порту вывода сигнала.
Пользователь не имеет права изменять способ подключения взрывозащищенной системы или произвольно ослаблять разъемы выходных проводов .
Во время работы расходомера задняя крышка не должна открываться произвольно для изменения параметров прибора, поскольку это может повлиять на нормальную работу расходомера.
Периодически проверяйте расходомер на наличие утечек во фланцевых соединениях.
4.2.4 Использование и замена встроенной батареи
1) Индикация уровня заряда батареи
Если отображается только одна полоска уровня заряда батареи, пользователю необходимо заменить батарею в течение одного месяца. Если отображается только контурный символ батареи , это означает , что заряд батареи разряжен и ее необходимо немедленно заменить.
2) Метод замены батареи
Откройте заднюю крышку интеллектуального сумматора расхода , ослабьте три винта на крышке аккумулятора, отсоедините разъем аккумулятора и извлеките аккумулятор . После установки новой батареи соберите устройство.
4.2.5 Требования к установке во взрывобезопасных зонах
Расходомер должен быть надежно заземлен. Взрывозащищенное заземление не должно использоваться совместно с защитным заземлением мощной электрической системы.
При проверке источника питания на месте использование заземления источника переменного тока не допускается.
Ни при каких обстоятельствах пользователь не имеет права модифицировать взрывозащищенные цепи , компоненты или взрывозащищенный тип.
Внешний источник питания должен быть отключен перед открытием крышки преобразователя.
5.1 Упаковка
Расходомеры должны быть упакованы в прочные деревянные ящики (расходомеры среднего и малого диаметра с пенопластовой прокладкой могут быть упакованы в картонные коробки) и не должны иметь свободного перемещения внутри контейнера Обращайтесь . с ним осторожно во время транспортировки.
5.2 Транспорт
Условия транспортировки и хранения расходомеров должны соответствовать требованиям GB/T 25480-2010 «Основные условия окружающей среды и методы испытаний для транспортировки и хранения приборов и аппаратов».
5.3 Хранение
Расходомеры должны храниться при следующих условиях:
1) Защита от дождя и влаги;
2) Не подвержен механической вибрации или ударам;
3) Диапазон температур: 5 °С ~ 40 °С;
4) Относительная влажность: не более 90%;
5) Окружающая среда свободна от агрессивных газов.